di Massimo Di Giulio
In poco più di un'ora è difficile discutere molte applicazioni, per di più basate su concetti forse poco familiari ai più. Inoltre ogni progettista di circuiti elettronici segue le proprie inclinazioni, io ad esempio preferisco fare circuiti con il numero minimo di componenti, per cui quanto dirò potrebbe benissimo essere impostato in modo diverso, e comunque pur sempre corretto, da altri.
In ogni caso la logica con cui si mettono i componenti in un certo modo, e non in un altro, è sostanzialmente la stessa, dato il tipo di applicazione che si vuole fare.
Ed è proprio cercando di far comprendere la sequenza delle considerazioni logiche che si fanno per arrivare a un risultato finale che descriverò alcune applicazioni, semplici ma in grado di aggiungere un tocco di pregio ai rotabili, o a gestire in automatico un plastico analogico.
D’altra parte, se si cerca un insieme di schemi di circuiti da riprodurre pedissequamente non si viene fino a Firenze a frequentare un Master, ma si fa una ricerca in Internet o sulle riviste. Il valore aggiunto che vorrei mettere in questo Master è proprio un pizzico di ragionamento logico, che potrebbe mettere in grado ciascuno di progettare da sé i circuiti che interessano.
Iniziamo necessariamente con un po’ di 'fondamenti', richiamando elementari leggi fisiche dell’elettronica e descrivendo il funzionamento elementare dei componenti di base, per acquisire gli strumenti per incominciare a progettarsi da se un circuito per le proprie specifiche esigenze.
Legge di Ohm
E' la legge che lega fra loro le grandezze elettriche presenti in tutti i circuiti:
· la tensione (o differenza di potenziale, ddp, o Voltaggio che dir si voglia)
· la corrente (o Intensità di corrente)
· la Resistenza del circuito
Nei nostri plastici abbiamo sempre trasformatori o regolatori che non fanno altro che mantenere tra due poli (es. due rotaie) una certa differenza di potenziale.
La ddp esprime la 'potenzialità' di far muovere tra i due poli le cariche elettriche, mobili nei conduttori, dando luogo a una "corrente" di cariche.
Affinché però si abbia effettivamente una corrente, il circuito tra i due poli deve essere 'chiuso' con un conduttore (un filo, un motore, un resistore...). A seconda della qualità del conduttore c’è più o meno corrente: a parità di ddp, un miglior conduttore fa passare più corrente, come è logico. Questa qualità viene espressa mediante il suo inverso, detta Resistenza.
|
grandezza elettrica |
sigla |
unità di misura |
valori tipici |
| - | - | - | - |
|
tensione |
V |
volt (V) |
pila 1,5 V, batteria automobile 12 V, rete 220 V (alternata) |
|
corrente |
I |
ampère (A) |
lampada anabbagliante 3 A, LED 20 mA, lampada di casa da 60W 270 mA |
|
resistenza (inverso della bontà del conduttore) |
R |
ohm (W) |
filo in cortocircuito: 0 ohm, motore: 100 ohm, lampadina pisello accesa: 250 ohm, circuito aperto: infiniti ohm |
La cosa importante è che (nella maggior parte dei conduttori) se la ddp applicata aumenta, anche la corrente aumenta in proporzione, in modo che il rapporto tra V e I resta costante. Non solo, se invertiamo i fili anche la corrente si inverte esattamente.
La Legge di Ohm dice che la semplice relazione tra le tre grandezze è: V / I = R ( = -V / -I )
Se noi abbiamo una nota V e una nota R quanto sarà la I? Basta ricavare I dalla legge: I = V / R
Esempi:
se V=12 V, e un motore è da 40 ohm, la corrente sarà da 300 mA (Fleischmann)
se V=12 V, e un motore è da 200 ohm, la corrente sarà da 60 mA (Mehano)
Quindi, a parità di V, é R a stabilire quanto vale I (limitazione di corrente).
Vale anche la terza relazione: V = I x R
La 'potenzialità' a muovere le cariche, quando dà effettivamente luogo a una corrente, richiede al generatore di tensione dell'energia, che si trasforma in luce (lampade, LED), movimento (motori) o calore (lampade, resistori, stufe). Ovviamente più a lungo facciamo durare il processo più energia si trasforma, quindi non è molto utile calcolare quanta energia si usa (se non per pagare la bolletta!).
Più utile è calcolare la potenza (energia al secondo) con cui fluisce l’energia. Essa si misura in Watt, e vale la legge W = V x I
Con questo semplice calcolo sapremo quanto è intenso l’effetto (luce, movimento, calore) prodotto dalla trasformazione dell’energia elettrica.
Si vede facilmente che, per un conduttore di resistenza R, sostituendo a V o a I le relazioni derivate dalla legge di Ohm si ottengono le relazioni W = V x (V / R) = V2 / R e W = (I x R) x I = I2 x R che permettono di calcolare la potenza dissipata senza conoscere necessariamente sia la tensione che la corrente.
Un resistore è un conduttore di resistenza nota R, montato tra due reofori di resistenza trascurabile.
Si trova in valori standard, grosso modo compresi tra 1 ohm e dieci milioni di ohm, nella tipica sequenza detta 'E12': 10 12 15 18 22 27 33 39 47 56 68 82.
Il valore è codificato con fasce colorate sul corpo del resistore, raramente è scritto, sostituendo R al punto decimale (fino a 820 ohm), K al separatore delle migliaia, M al separatore dei milioni (esempi: 5R6, 120R, 1K5, 27K, 390K, 1M2, 10M)
L'effetto energetico del passaggio di corrente è la produzione di calore, che va smaltito dalla superficie esterna verso l'ambiente circostante per non far salire la sua temperatura oltre limiti inaccettabili. Quanto calore può smaltire nell'unità di tempo (potenza) lo si capisce dalle dimensioni della resistenza.
Si trovano in commercio resistori con dissipazioni standard da 0,125 W (1/8) a decine di W, passando per 0,25 (1/4), 0,33 (1/3), 0,5 (1/2), 0,66 (2/3), 1, 2, ecc. Una volta calcolata la potenza da dissipare, scegliere sempre il modello disponibile superiore a quanto richiesto.
Assortimento di resistenze di diversa potenza
Nota la ddp (V) tra i suoi capi, o la corrente (I) che lo attraversa, la potenza da dissipare si calcola con le formule precedenti.
Esempi:
I = 100 mA in R = 1000 ohm, deve smaltire 10 W, che è un bel po’
I = 10 mA in R = 1000 ohm deve smaltire solo 0,1 W (100 mW) che è poco
Per la scelta di un resistore dobbiamo conoscere 2 elementi: la Resistenza R e la potenza dissipabile W.
A cosa serve? Non certo a scaldare! Ce lo dice la Legge di Ohm.
Limitazione di corrente: se abbiamo un circuito con una certa ddp V, un resistore R inserito in esso limiterà la corrente al valore pari a I = V / R
Creazione di una differenza di potenziale: se abbiamo un circuito in cui scorre una corrente prefissata I, un resistore inserito in esso avrà ai suoi capi una ddp pari a V = I x R
E' un conduttore di materiale speciale (semiconduttore) per il quale non vale la legge (di Ohm) secondo cui se invertiamo i fili anche la corrente si inverte. Invece, se collegando i fili in un senso la corrente c'è (polarizzazione diretta), nell'altro senso è praticamente 0 (polarizzazione inversa).
Inoltre, nel verso in cui passa corrente, aumentando la ddp la corrente aumenta Molto Molto di più, non in proporzione semplice, ma in modo esponenziale! (ancora una volta per esso non vale la legge di Ohm).
Il dispositivo è quindi asimmetrico e i due terminali vengono distinti in anodo (A) e catodo (K). Un segno sul contenitore identifica il catodo, che è il terminale da cui esce la corrente quanto il diodo conduce (polarizzazione diretta).
Il simbolo circuitale è un triangolo (A) con la punta orientata nel verso in cui scorre la corrente, appoggiata a una barretta trasversale che corrisponde al segno presente sul contenitore (K).
Diodi al silicio
Nei diodi al silicio bastano, in diretta, frazioni di Volt (0,6 – 0,7) per far passare molti Ampère, mentre in inversa anche con centinaia di Volt la corrente è di pochi nanoampére, praticamente zero.
Per considerare sulla carta il suo effetto in un circuito, si considera che se è in diretta la ddp ai suoi capi è 0.7 V (con il potenziale più alto lato triangolo e più basso lato barretta), per qualsiasi valore di corrente I; se è in inversa, la corrente è zero con qualsiasi ddp applicata (questa volta con il potenziale più alto lato barretta e più basso lato triangolo).
Ci sono in commercio un’infinità di diodi, che si differenziano essenzialmente per:
· la corrente massima che ci può passare dentro senza romperli (da 0,01 a 30 A)
· la tensione massima che si può applicare in polarizzazione inversa senza romperli (da 75 a 1000 V)
Altri fattori, come il materiale (nel 99% dei casi silicio) e il tempo di risposta, vanno considerati per applicazioni speciali, che non riguardano il fermodellismo.
Generalmente, più alta è la corrente massima che può reggere, più grosso è il diodo. Infatti, come sappiamo dai resistori, la dimensione dell’involucro è in relazione alla potenza dissipabile, che è importante solo in diretta (I <> 0), perché in inversa è W = 0 x V = 0, sempre!
Esempi:
se I = 100 m A, W = 0,7 x 0,1 = 0,07 W
se I = 3 A, W = 0,7 x 3 = 2,1 W
I diodi sono etichettati con una sigla alfanumerica, che non ha praticamente nessun significato evidente. Comunque, i diodi più comuni da utilizzare in fermodellismo sono di tre soli tipi (valori massimi):
|
corrente DIRETTA |
tensione INVERSA |
sigla |
costo |
|
piccola (150 mA) |
media (75 V) |
1N914, 1N4148, xx4148 |
5 €cent |
|
media (1A) |
medio-alta (100-1000) |
1N4001 – ... – 1N4007 |
5 €cent |
|
medio-alta (3A) |
medio-alta (100-1000) |
1N5401 – ... – 1N5408 |
da 20 €cent |
|
alta (12 – 400 A) |
alta (200 – 1600 V) |
- |
2 – 100 € |
A cosa serve? A far passare una corrente (ad esempio contenente un'informazione) solo in un senso, a rettificare una tensione alternata, a creare una ddp di 0,7 V (se ne mettiamo n in serie la ddp è n x 0,7V).
Se si vogliono rettificare entrambe le semionde di una tensione alternata, ci vogliono 4 diodi messi "a ponte". A tale scopo, o si montano 4 diodi uguali (facendo 8 saldature), o si compra un 'ponte raddrizzatore' (con solo 4 saldature).
I ponti sono sempre per correnti medio-alte (da 1 a 50 A) e tensioni medio-alte (100-1000 V). Si trovano con i piedini disposti a quadrato o in linea (occhio alla sequenza!).
Quelli per alte correnti sono più grossi, a volte con attacchi faston.
Ponti raddrizzatori
Sigle più comuni:
|
W01 – 100 V – 1,5 A W02 – 200 V – 1,5 A
...
W08 – 800 V – 1,5 A
W10 – 1000V – 1,5 A
|
|
|
KBPC6005 – 50 V – 6 A
KBPC601 – 100 V – 6 A
...
KBPC608 – 800 V – 6 A
KBPC610 – 1000 V – 6 A
|
|
piedini in linea
|
|
|
|
|
2KBP005 – 50 V – 2 A
2KBP02 – 200 V – 2 A
...
2KBP08 – 800 V – 2 A
2KBP10 – 1000V – 2 A
|
KBL02 – 200 V – 4 A
KBL04 – 400 V – 4 A
KBL06 – 600 V – 4 A
KBL08 – 800 V – 4 A
|
KBU4B – 100 V – 4 A
KBU4D – 200 V – 4 A
KBU4G – 400 V – 4 A
KBU4K – 800 V – 4 A
KBU4M – 1000 V – 4 A
|
KBU8B – 100 V – 8 A
KBU8D – 200 V – 8 A
KBU8G – 400 V – 8 A
KBU8K – 800 V – 8 A
KBU8M – 1000V – 8A
|
E’ un componente un po’ più complicato da spiegare e da capire, perché equivalente a due diodi in antiserie, ma con una presa al centro.
Avendo quindi tre terminali (detti collettore, base ed emettitore) il transistor è inserito in due circuiti distinti (circuito di ingresso e circuito di uscita) e permette lo scambio di segnali tra i due.
In estrema sintesi il suo funzionamento si può descrivere così:
Detti C, B, E i tre terminali, la tensione applicata tra B ed E (VBE) nel circuito di ingresso controlla la corrente (IC) che scorre tra C ed E nel circuito di uscita. Ovviamente questa corrente è erogata da un generatore di tensione V inserito nel circuito di uscita.
In questo schema la tensione VBE è ottenuta a partire dallo stesso generatore mediante il partitore resistivo R1, R2, ma può essere generata da un altro circuito o componente attivo collegato al circuito di ingresso.
Per i nostri usi questo controllo è utile nei due casi estremi:
- se VBE è 0,7 V (quanto un diodo in diretta), tra C e E può passare tutta la corrente che serve (compatibile con il limite del transistor) (regione di saturazione)
- se VBE è 0 o negativa, tra C e E non passa nessuna corrente (regione di interdizione).
Il vantaggio è che la corrente che passa tra B ed E (IB) nel circuito di ingresso è molto più piccola della corrente controllata (IC). Il rapporto hFE = IC / IB è un numero molto importante e a seconda del tipo di transistor varia da poche decine a molte centinaia.
Il transistor serve ad esempio per accendere o spegnere un relè (alta IC) su comando di un segnale di bassa corrente (reed o pedale o uscita di integrato logico – vedi FLIP/FLOP)
Gli altri fattori importanti sono il valore massimo ammissibile di IC e il valore massimo di VCE, e la potenza massima dissipabile (W = IC x VCE)
Ci sono transistor di due tipologie, quelli in cui la IC scorre da C ad E (tipo NPN) e quelli in cui scorre da E a C (tipo PNP), per cui si possono usare in circuiti di opposta polarità: come esempio grossolano, un rivelatore di presenza che contenesse un transistor si potrebbe collegare alla rotaia destra o a quella sinistra a seconda del tipo di transistor.
A seconda della massima corrente IC e quindi della massima potenza dissipabile, le dimensioni cambiano dai piccoli transistor in contenitore plastico (costo pochi €cent) ai grossi in contenitore metallico cui si può unire una grossa aletta di raffreddamento (costo qualche €). A differenza dei diodi, la varietà di transistor esistenti non permette di indicare pochi tipi standard utilizzabili in fermodellismo.
La foto mostra anche la disposizione dei tre piedini.
E’ un diodo di materiale diverso dal silicio (ma sempre semiconduttore) formato da gallio, alluminio, fosforo, arsenico, indio in varie percentuali, in cui il passaggio di corrente in polarizzazione diretta produce principalmente emissione di luce (ogni elettrone perde una quantità ben precisa di energia, corrispondente a un fotone). Ha due piedini e, attraverso la plastica più o meno trasparente del contenitore si può intravedere la diversa forma dei due elettrodi: più grande il catodo (K – terminale corto), più piccolo l’anodo (A – terminale lungo).
Vista interna di un LED (ingrand.)
A seconda della percentuale dei vari elementi cambia sia il colore della luce emessa, sia la tensione diretta Vd tipica:
infrarosso – circa 1,3 - 1,5 V
rosso – circa 1,8 V
arancio, giallo – circa 2 V
verde – circa 2,1 V
bianco e blu – circa 3,5 V
Ovviamente la tensione effettiva dipende leggermente dalla corrente che vogliamo far passare nel LED e quindi dalla luminosità richiesta: i valori tipici sono comunque bassi (almeno rispetto a una lampadina di pari luminosità): 20 mA per il rosso, 10-40 mA per gli altri.
La tensione di alimentazione Va del circuito in cui il LED è inserito è di solito più alta, ed è perciò sempre necessario interporre una resistenza R che limiti la corrente e abbia ai suoi capi una ddp pari alla differenza tra Va e Vd . In base alla Legge di Ohm è
R = (Va – Vd) / I
Piccole differenze nel valore effettivo di Vd rispetto a quello suindicato non influiscono sul risultato, anche perché in ogni caso occorre poi trovare il valore standard della resistenza che più si avvicina a quello calcolato (se molto diverso conviene sempre un’approssimazione per eccesso).
Nella scelta della resistenza ricordarsi di valutare anche la dissipazione di potenza della resistenza che è necessaria (W = R x I2).
Ad esempio:
Con R = 390 ohm la dissipazione richiesta sarà circa W = 390 x 0,02 x 0,02 = 0,16 W, per cui sarà sufficiente una resistenza standard da 0,25 W.
In polarizzazione inversa i LED possono reggere una tensione di non più di 5V, per cui se c’è possibilità che la polarizzazione (es. cambio di senso di marcia, o alimentazione in alternata – luci plastico) si inverta è necessario mettere un normale diodo in antiparallelo al LED, che limiterà tale tensione inversa ai soliti 0,7V.
n LED dello stesso colore si possono collegare in serie e in tal caso la Vd totale sarà pari a n volte la Vd di un singolo LED.
Con R = 82 ohm la dissipazione richiesta sarà circa W = 82 x 0,02 x 0,02 = 0,03 W, per cui sarà sufficiente una resistenza standard da 0,25 W.
Se sono di colore diverso la Vd totale sarà ovviamente pari alla somma delle Vd dei singoli LED, tuttavia poiché la corrente sarà la stessa in tutti i LED, si potrebbero avere differenze anche notevoli di luminosità tra i vari colori.
Non è consigliabile collegare LED dello stesso colore in parallelo, a meno che non siano esattamente identici: infatti se a parità di corrente uno avesse Vd di 1,65 V e l’altro di 1,7 V, mettendoli in parallelo quello da 1,65 V avrebbe una luminosità molto maggiore. Ovviamente è assolutamente sbagliato collegare in parallelo LED di colore diverso.
I LED hanno delle sigle industriali che non sono MAI scritte sui contenitori e pertanto è inutile conoscerle. Basti sapere che quelli normali (con i piedini) si trovano in diametri di 3 e 5 mm, o in varie forme oltre la cilindrica. Quelli miniaturizzati per montaggio superficiale (SMT) possono anche essere piccoli circa 1 x 1,5 mm. Tutti costano da pochi cent a poche decine di cent. I componenti SMT sono piuttosto difficoltosi da saldare con il normale saldatore a punta, ancor di più lo sono i LED perché mal sopportano alte temperature per più di pochissimi secondi.
LED rossi e verdi di diversa dimensione e forma (immagini ingrandite)
LED in tecnologia a montaggio superficiale (mm 2 x 1,5) – Nastro contenitore dei LED (immagini ingrandite)
E’ un diodo o transistor in cui può entrare la luce (visibile o infrarossa), che libera ulteriori portatori di carica, per cui equivale alla presenza di una corrente (di polarizzazione diretta per il diodo, di base per il transistor) senza la presenza di un generatore di tensione.
L’effetto nel diodo è la generazione di corrente (fotocorrente) e/o di una differenza di potenziale equivalente alla polarizzazione diretta.
L’effetto nel transistor è l’abilitazione al passaggio di corrente tra C ed E.
Il fotodiodo è meno sensibile del fototransistor perché nel primo la fotocorrente è quella dovuta alla luce, nel secondo la IC è la fotocorrente dovuta alla luce amplificata di hFE.
Anche questi componenti vengono usati da noi nei due casi estremi:
|
condizione
|
fotodiodo
|
fototransistor
|
|
buio |
nessuna corrente |
nessuna corrente |
|
luce |
fotocorrente |
IC |
(Immagine ingrandita)
Per evitare gli effetti della luce ambiente si possono usare emettitori LED nell’infrarosso e fototransistor filtrati sensibili solo all’infrarosso.
Questi componenti sono molto usati nei circuiti dei telecomandi, ma per i nostri scopi, soprattutto in scala N, occorrono quelli più piccoli che si riescono a trovare. Escludendo i componenti SMT (che richiederebbero un circuito stampato di supporto, i più piccoli che conosco e peraltro a montaggio laterale sono quelli indicati in figura, del costo di circa 1 € ciascuno.
Esistono in commercio dei componenti che racchiudono nello stesso contenitore sia l’emettitore che il ricevitore, montati in modo che vi sia accoppiamento ottico tra i due. Se si inserisce l’emettitore in un circuito e il ricevitore in un altro circuito elettricamente separato dal primo, la corrente che scorre nel primo può attivare otticamente il passaggio di corrente nel secondo, ma con un notevole isolamento galvanico tra i due (si chiamano infatti 'optoisolatori'). Questo è utile tipicamente per separare il circuito di trazione dal circuito di controllo, nei sensori ad assorbimento di corrente.
Optoisolatore 4N35: il segno identifica il terminale n.1
Il tipo 4N35 (circa 0,6 €) ha un fotoemettitore con corrente massima di 60 mA e una tensione inversa di 6V, mentre il transistor regge una tensione massima tra collettore ed emettitore di 30V e una corrente Ic massima di 30 mA. Ma soprattutto è molto sensibile, avendo un rapporto di trasferimento tra ingresso ed uscita del 100%, cioè un certo valore di corrente dell’emettitore abilita nel transistor il passaggio di una corrente di uguale valore. Altri optoisolatori economici hanno circa il 20%.
Detto anche pedale di contatto ad ampollina, è formato da due lamelle molto elastiche con delle microcalamite sulle punte, il tutto posto in un’ampollina di vetro sotto vuoto (per evitare scintille). Normalmente il contatto tra le due lamelle è aperto.
Se si avvicina una calamita, il campo magnetico forza le microcalamite (e le punte) ad avvicinarsi, chiudendo il contatto e lasciando passare la corrente del circuito in cui i REED è inserito.
Quando la calamita si allontana, l’elasticità dei contatti li separa e la corrente cessa.
Si trovano da 2 a 5 mm di diametro e lunghezze da 1 a 5 cm. Ovviamente per i nostri scopi sono preferibili quelli più piccoli, meglio mimetizzabili. Il costo è dell’ordine dei 2 € l’uno, ma con un po’ di fortuna se ne può fare una scorta sui banchetti alle fiere dell’elettronica a un prezzo un po’ inferiore.
Tuttavia l’esperienza mi ha insegnato che i motori G Lima H0 generano un campo magnetico in grado di far commutare i reed troppo piccoli e sensibili, per cui in questi casi conviene usare modelli un po’ più grandi.
Si montano longitudinalmente lungo il binario e vengono azionati da una buona calamita messa sotto un rotabile. Recentemente sono facilmente acquistabili i magneti al Neodimio, che hanno un elevato campo magnetico anche quando sono molto sottili (adatti quindi ad essere montati anche ad automotrici con telaio molto basso). Se sui modelli si usano solo questi magneti molto forti si può anche montare il reed verticalmente sotto il binario, nascondendolo completamente alla vista.
Flip/flop (F/F) è il nome della funzione svolta da un circuito integrato bistabile, che cioè può cambiare il suo stato tra due valori opposti. Il componente tipico è il CD 4013, che contiene al suo interno due F/F indipendenti.
Ogni F/F ha:
- due uscite logiche Q e Q’, aventi sempre una tensione opposta tra di loro: se Q è alta, Q’ è a 0 e viceversa
- un piedino SET che forza Q a livello alto
- un piedino CLEAR (o RESET) che forza Q a 0 V
- un piedino DATA e un piedino CLOCK che vengono usati solo all’accensione
L’uso del F/F è fondamentale nei circuiti che devono commutare tra due stati rappresentativi di situazioni differenti, primo tra tutti lo stato di occupazione di una sezione di blocco.
Il vantaggio di un F/F elettronico rispetto a un relè bistabile è nel minore costo, nel minore assorbimento di potenza, nel pilotaggio di SET e CLEAR con correnti bassissime che non danneggiano il pedale REED, nell’avere sempre due uscite utilizzabili in opposizione. Lo svantaggio è nel richiedere un piccolo circuito stampato per essere montato e connesso al mondo esterno.
Un circuito integrato CD4013BP (o MC14013BP o HEF4013BP) costa circa 0,7 €, più lo zoccolo da 7+7 piedini, utile per sostituire velocemente il componente in caso di malfunzionamento e comunque per non doverlo saldare direttamente.
Nello schema a lato è mostrato solo uno dei due F/F presenti nell’integrato 4013, e non sono mostrati i collegamenti dell’alimentazione (stabilizzata tra 5 e 15 V) ai piedini 14 e 7.
Per cambiare lo stato logico delle uscite si inviano impulsi positivi di tensione i piedini SET e RESET, nello schema usando i pulsanti SW1 e SW2. Per evitare di captare segnali spurii (ad esempio quelli generati dai motori o da altri interruttori) una resistenza di alcune decine di kiloohm sono connesse tra i piedini e massa.
Inoltre i piedini CLOCK e DATA possono essere usati per predefinire lo stato logico all’accensione. A tale scopo il piedino DATA va collegato a massa e quello CLOCK alla rete formata dalla resistenza R1 e il condensatore C1. Al momento di dare tensione il piedino CLOCK resta a livello basso per una frazione di secondo e poi va a livello alto, e comanda l’uscita Q1 ad assumere il livello di DATA (basso).
Le uscite Q e Q1 assumono valori di tensione pari a VDD o VSS, ma possono erogare o assorbire correnti di solo pochi milliAmpére, sufficienti per pilotare altri circuito logici o un LED. Per gestire correnti maggiori occorrerà perciò prevedere in uscita un opportuno transistor.
1) illuminazione due o tre fanali solo bianchi
Da montare su locomotive destinate sempre a trainare un treno (mai in spinta o in marcia isolata).
Il circuito con la resistenza di limitazione e i LED va collegato in parallelo al motore, però invertendo il senso di marcia, la tensione ai capi dei LED posteriori si presenta come una polarizzazione inversa e superiore al livello tollerabile. Perciò va sempre messo il diodo di protezione in antiparallelo. I due (o tre) LED bianchi, allineati con i fanali (eventualmente con una guida di luce in mezzo), devono essere messi in parallelo tra loro, in modo che si accendano già con una tensione sul binario di poco più di 3V. La resistenza di limitazione va calcolata che la corrente totale è tripla (vista la grande luminosità dei LED bianchi bastano da 20 a 40 mA totali).
Calcoli di progetto:
per ILED=3 mA a 6 V, con 2 LED bianchi:
R = (6-3,5)/(2x3mA)=417 -> 470 ohm
a 12 V, ILED=(12-3,5)/470/2= 9 mA
Circuito SMT per due LED bianchi (ingrandito)
2) illuminazione due o tre fanali bianchi e due rossi
Da montare su locomotive destinate anche alla spinta di un treno o ad automotrici. Per composizioni bloccate (es: coppia di automotrici) basta mettere il circuito su ogni testata estrema.
Il circuito con la resistenza di limitazione e i vari LED va collegato in parallelo al motore, e si sfrutta il fatto che gli stessi LED non sono altro che dei diodi per far accendere i bianchi o i rossi nel modo giusto. Se si collegano i LED rossi in antiparallelo ai bianchi, essi si proteggono a vicenda dall’inversione di polarità e quindi non necessitano di ulteriori diodi di protezione in antiparallelo.
Anche in questo caso i LED bianchi vanno in parallelo tra loro, mentre il circuito dei rossi può essere semplificato mettendoli in serie tra loro. Il terzo LED bianco va invece protetto col diodo in antiparallelo.
D 1N4148 – R1 470 ohm – R2 820 ohm
Calcolo della corrente nei vari LED (I1 nel ramo con R1 e I2 nel ramo con R2):
A 12 V: I1max = (12-3.5)/470 = 18 mA (9 mA per ciascun LED)
I2max = (12-3.5)/820 = 10,4 mA
A 6 V: I1min = (6-3.5)/470 = 5.3 mA (2,65 mA per ciascun LED)
I2min = (6-3.5)/820 = 3.1 mA
Circuito SMT per due LED bianchi e due rossi (ingrandito)
Installazioni 'volanti' su ETR500
3) illuminazione carrozze
In questo caso i LED devono essere accesi in entrambi i sensi di marcia e perciò occorre interporre un ponte raddrizzatore tra le ruote e il circuito con i LED. Naturalmente gli anodi dei LED saranno connessi al terminale + del ponte e la resistenza limitatrice sarà in serie ad essi.
Calcoli di progetto:
per ILED=3 mA a 6 V, con 4 LED bianchi:
R = (6-2x0,7-3,5)/(4x3mA)=91 -> 82 ohm
a 12 V, ILED=(12-2x0,7-3,5)/82/4= 22 mA
Elettronica "a terra"
1) Sensore di polarità e di presenza: uso dell'optoisolatore
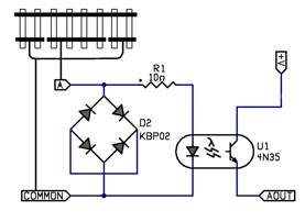
Un esempio di uso di un optoisolatore per separare galvanicamente il circuito di trazione da quello di controllo si ha in questo semplice sensore di polarità.
Sensore di polarità e senso di marcia
Collegando COMMON a una rotaia e A e a un punto da monitorare sull’altra rotaia, l’emettitore infrarosso del 4N35 emette luce solo quando A è positivo rispetto a COMMON (quindi in un certo senso di marcia): allora solo in questo caso il fototransistor interno è messo in conduzione e 'chiude' il circuito tra il positivo +V e l’uscita AOUT.
Nell’altro senso di marcia (A negativo rispetto a COMMON) l’emettitore è polarizzato inversamente (il diodo non conduce, ma D1 lo protegge da una tensione inversa superiore al valore ammesso) e quindi non emette luce; di conseguenza AOUT resta a potenziale basso.
Naturalmente questa seconda condizione si verifica anche se sul binario non c’è proprio tensione!
Un altro esempio è un sensore di presenza, che produce un impulso positivo al passaggio della motrice sul breve tratto sezionato, solo in un dato senso di marcia.
Sensore di presenza
Il ponte raddrizzatore (idea tratta da uno schema pubblicato su TuttoTreno Modellismo) è collegato in modo da utilizzare due diodi al silicio in serie tra loro (Vd totale circa 1,5 V) in qualsiasi senso scorra la corrente ed assicura perciò la chiusura del circuito di trazione in entrambi i sensi di marcia.
Se un treno si muove verso sinistra, la corrente passa dalla rotaia non sezionata al motore del rotabile e quindi da A a COMMON (polo negativo della tensione di trazione) attraverso il ponte; una parte di essa alimenta l’emettitore del 4N35 e pertanto AOUT è connesso al potenziale +V del circuito di controllo.
Nessun segnale viene generato al passaggio di un treno nell’altro senso di marcia, ma gli altri due diodi del ponte che sono attraversati dalla corrente garantiscono anche che l’emettitore non subisca tensioni inverse superiori a 1,5 V.
Un altro uso comune degli optoisolatori si fa per separare elettricamente le uscite e gli ingressi di un computer che sia collegato al quadro di comando di un plastico.
2) Pedale di arresto a infrarossi
Per determinare il passaggio del treno su un determinato punto della linea ci sono vari sistemi: pedale reed azionato da un magnete, circuito rivelatore di presenza ad assorbimento come quello mostrato al punto 1), barriera luminosa.
Il primo è invasivo per la presenza del reed e richiede l’applicazione del magnetino sotto il rotabile interessato; il secondo richiede il doppio sezionamento della rotaia e introduce sul circuito di trazione una caduta di potenziale di 1,5V.
La barriera luminosa, costituita (come nelle casse dei supermercati o nei cancelli automatici) da una sorgente di luce (meglio se infrarossa) e da un rivelatore che la riceve, posti a cavallo del binario, non richiede interventi alle rotaie o ai rotabili, è elettricamente indipendente dal circuito di trazione e, ove si usino componenti molto piccoli, può essere facilmente mimetizzata nel paesaggio.
Il suo funzionamento è del tutto simile a un optoisolatore 'aperto', in cui l’emettitore è sempre attivo e quindi il fototransistor è in conduzione. Maggiore è la distanza tra i due componenti, maggiore dovrà essere l’intensità luminosa generata dall’emettitore, ma sempre entro i limiti di corrente ammessi.
La parte anteriore del convoglio in arrivo, in qualunque senso di marcia, interrompendo il fascio luminoso cambia lo stato di conduzione del fototransistor.
Poiché la luce dell’ambiente potrebbe comunque raggiungere il fototransistor, che rimarrebbe quindi sempre in conduzione, si ricorre a luce infrarossa e a un rivelatore sensibile solo ad essa e non (o comunque molto poco) alla luce visibile.
Pedale a infrarossi montato su basetta: l’arrivo del muso della motrice
(o della pilota se in spinta) determina l’interruzione del fascio luminoso.
L'informazione ottenuta dal fototransistor può essere usata per vari scopi: partenza di un altro convoglio, comando di un circuito per l'azionamento di scambi, arresto del treno nel punto preciso dove c'è la barriera, determinazione della velocità del convoglio (con un secondo sensore messo a debita distanza).
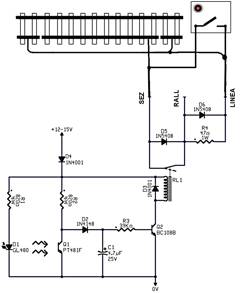
Il circuito presentato gestisce l’arresto di un treno in prossimità di un segnale commerciale, dotato di proprio interruttore di sezionamento.
In assenza di treno il fototransistor Q1 è in conduzione e tramite D2 e R3 mantiene Q2 in interdizione, per cui il relè RL1 è a riposo. Attraverso il suo contatto chiuso la tensione di linea raggiunge il sezionamento (attraverso la resistenza R4 per limitare la velocità). Appena la punta del treno intercetta il fascio luminoso Q2 va in conduzione e attiva il relè, che apre il contatto, per cui il treno si arresta. All’accensione del verde è la chiusura del contatto del segnale a far ripartire il treno.
3) Circuiti di blocco automatico
Nel regime di circolazione dei treni col Blocco Automatico la linea è divisa in tratte consecutive nel senso legale di marcia, denominate "sezioni di blocco", su ciascuna delle quali può trovarsi un solo convoglio alla volta. Appositi circuiti (connessi ai "pedali di comando") assicurano il verificarsi di questa condizione e regolano di conseguenza la marcia dei treni. Si osservi per esempio la figura seguente: se la sezione A è occupata dal treno 1, il treno 2 che si trova nella sezione precedente B si deve arrestare prima di impegnarla. Solo quando il treno 1 sarà uscito completamente (cioè con l’ultimo vagone) dalla sezione A il treno 2 potrà muoversi, liberando quindi la sezione B per il treno successivo, e così via, senza possibilità di tamponamenti.
In un circuito ad anello chiuso ci dovrà essere sempre almeno una sezione vuota, pena la paralisi della circolazione, per cui, ad esempio, su un anello con 5 sezioni potranno circolare al più 4 treni. Ovviamente un sistema con due sole sezioni (e quindi un solo treno) non ha ragione di esistere.
Il rivelatore di presenza descritto in precedenza può segnalare lo stato di occupazione di una sezione da parte di una motrice, in grado di assorbire corrente, ma l’occupazione da parte dell’ultimo vagone del convoglio richiede il montaggio di almeno un asse con resistenza incorporata, con il rischio che una momentanea perdita di contatto generi un falso segnale. A mio parere è molto meglio usare un contatto REED e montare (in maniera assolutamente rapida e reversibile) una piccola calamita sotto l’ultimo vagone con un buon nastro biadesivo.
Poiché ogni sezione può trovarsi solo in due possibili stati (libera e occupata), anche la sezione che la precede avrà il segnale rispettivamente al verde oppure al rosso, e quindi sarà gestita da un circuito FLIP/FLOP. Nello schema esso comanda tramite un transistor un relè a due scambi.

I contatti di scambio commutano sia la tensione al tratto di rotaia sezionata, sia la tensione per le due luci del segnale.
Le uscite del F/F accendono anche due LED colorati per indicare lo stato logico della sezione, corrisponde allo stato del segnale.
I comandi SET (messa a verde) e RESET (messa a rosso) arrivano dalla sezione seguente e dal pedale reed posto appena all’uscita della sezione, rispettivamente.
I pulsanti SW1 e SW2 servono per il controllo manuale della sezione di blocco: premendo il pulsante verde si alimenta la rotaia sezionata (marcia), mentre premendo il rosso essa viene isolata (arresto del convoglio).
Per evitare che premendo un pulsante la tensione positiva giunga anche alle altre sezioni vengono interposti i diodi D1 e D2, che pertanto risultano polarizzati inversamente.
I collegamenti verso il plastico avvengono mediante dei morsetti a vite (e non saldature) montati sul circuito stampato, per semplificare il montaggio.
Vediamo il caso di un plastico ad anello con tre sezioni, tutte dotate di segnali.
COLLEGAMENTO DELLE ROTAIE - In ciascuna sezione un tratto di binario, abbastanza lungo da consentire l’arresto di una motrice, viene isolato su una rotaia (sezionamento unipolare, indicato con S1, S2, S3) e collegato al modulo di blocco (morsetto S) mediante un cavetto saldato ad essa (di colore blu). Il resto del binario della sezione di blocco (indicato con B1, B2, B3) deve essere più lungo del convoglio più lungo circolante sulla linea, e - di norma - la rotaia dallo stesso lato del sezionamento unipolare deve essere collegata al modulo di blocco (morsetto L) con un cavetto saldato ad essa (di colore porpora).
COLLEGAMENTO DEL PEDALE DI COMANDO - pedale di comando (P1, P2, P3) deve essere azionato dal passaggio dell’ultimo vagone del convoglio, in modo da segnalare la liberazione della sezione a monte del pedale stesso. Pertanto occorre installare un pedale all’uscita di ogni sezionamento e un dispositivo di azionamento sotto l’ultimo vagone. Uno dei due terminali del reed va collegato al morsetto + del modulo e l’altro al morsetto P della stessa sezione cui è collegato il vicino sezionamento, in quanto l’attivazione del pedale segnala la liberazione della sezione cui è collegato (cavetti neri). E’ preferibile avere un unico cavetto che, partendo da un morsetto con il polo positivo, collega in sequenza un terminale di ogni REED.
Alternativamente è possibile usare altri tipi di pedali (codificati, ad infrarossi, a relè) purché possano chiudere il contatto tra il morsetto + e il morsetto P.
COLLEGAMENTO DEL SEGNALE - Ad un circuito a relè si può collegare un segnale di qualsiasi tipo e marca, sia a LED che a lampadina, sia funzionante con tensione continua che alternata, perché il relè separa elettricamente il circuito del flip/flop dalle utenze. Un polo dell’alimentazione dei segnali va collegato al filo del segnale comune alle due luci, l’altro polo va collegato al morsetto C e di qui, tramite il deviatore del relè va alle due luci.
ATTIVAZIONE DEL BLOCCO AUTOMATICO - Grazie al circuito collegato ai piedini CLOCK e DATA e precedentemente descritto, i moduli di blocco si dispongono automaticamente sul rosso al momento dell’accensione. Per avviare la marcia basterà premere il pulsante verde dei moduli di blocco corrispondenti alle sezioni che precedono una sezione libera e i treni inizieranno a muoversi.
ESCLUSIONE DEL BLOCCO AUTOMATICO - E’ possibile abilitare o disabilitare a piacere il funzionamento del blocco automatico semplicemente interponendo un interruttore sul cavetto che collega il morsetto + con i terminali dei vari REED.